Electro Brain

Teleruptor

content divider

Legrand

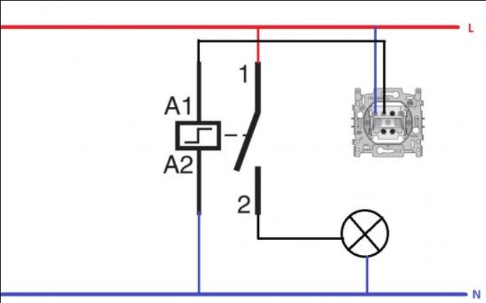
Aansluitschema

Klik op de pijltjes om naar het volgende schema te gaan.

Aansluitschema Legrand
Aansluitschema 1F Legrand
Aansluitschema Legrand 2

Schneider

Klik op de pijltjes op de afbeelding om volgend schema te bekijken.

Aansluitschema
Aansluitschema 2

VDAB

VDAB Schema
VDAB vermogenkring
VDAB Stuurkring

VDAB toepassingen

Klik op de pijltjes en ontdek meer.

VDAB Toepassing
VDAB Weergave
Vdab Schakelaar Toepassing